CR3 đường sắt mặt trời kinh tế được làm bằng vật liệu nhôm AL6005 - T5, phù hợp cho các lắp hệ thống năng lượng mặt trời trên mái nhà với gió nhỏ tốc độ dễ dàng cho cài đặt, chiều dài có thể được tùy chỉnh theo per dự án yêu cầu.
đặc trưng
chỉ 7 ngày cho sản xuất
10 - 12um anodizing đầy đủ các mặt
chiều dài có thể được tùy chỉnh
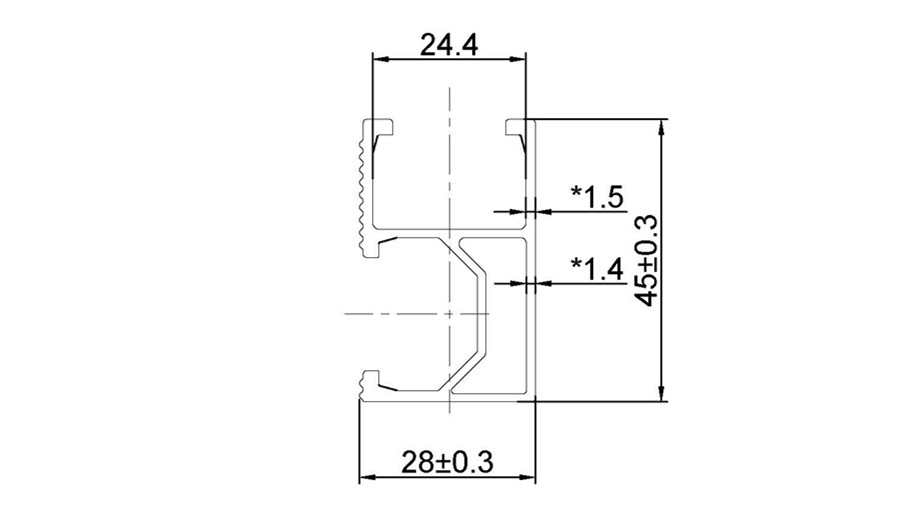
đang vẽ

ĐT : +86-592-3502642
E-mail : info@kinsend.com

























IPv6 mạng được hỗ trợ